Ray âm Hafele Matrix UM, mở toàn phần, nhấn mở, bao gồm bas lắp đặt 433.32.171

Ray âm Hafele Matrix UM, mở toàn phần, nhấn mở, bao gồm bas lắp đặt 433.32.171

  • Mô tả chi tiết

TÍNH NĂNG THÔNG SỐ KỸ THUẬT

60,000 lần đóng mở, theo tiêu chuẩn DIN EN 15338 Grade 3
Chức năng đóng mở đồng bộ và tích hợp giảm chấn
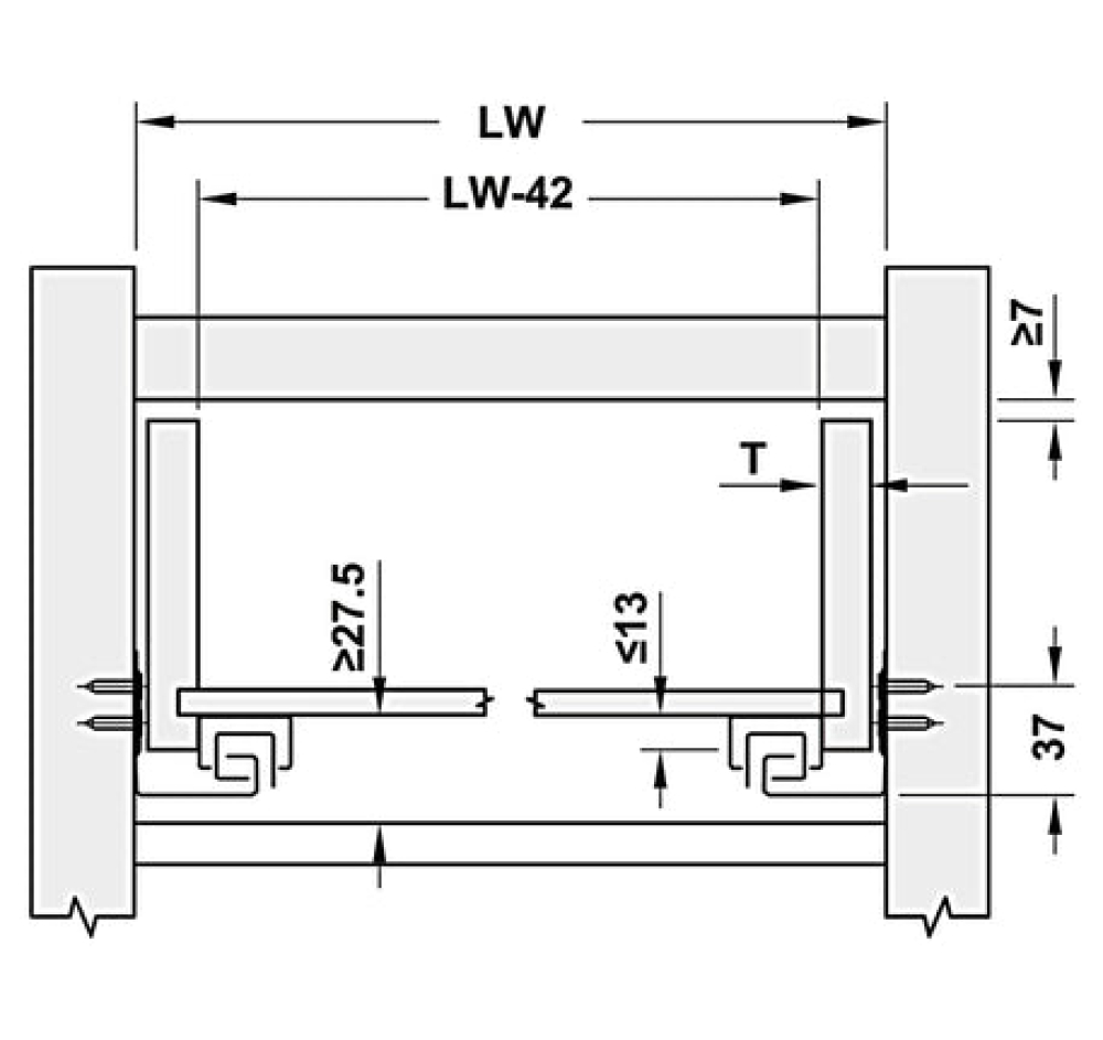
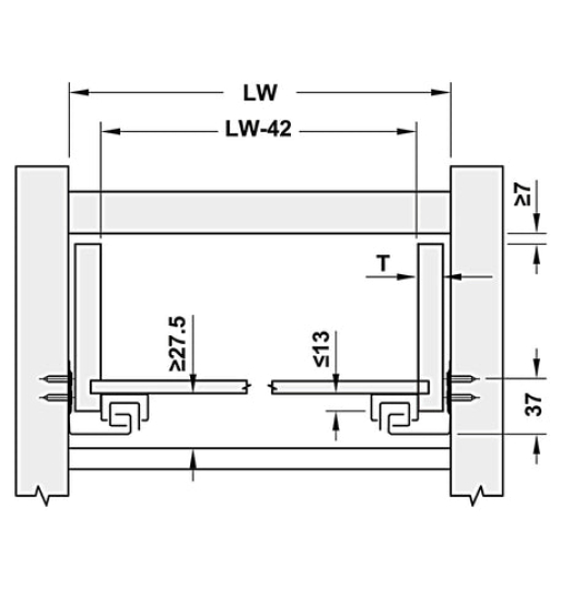
Điều chỉnh 3 chiều (lên/xuống 1.5mm, trái/phải 0.5mm, trước/sau ±1.5mm)
Chất liệu: Thép
Hoàn thiện: mạ kẽm
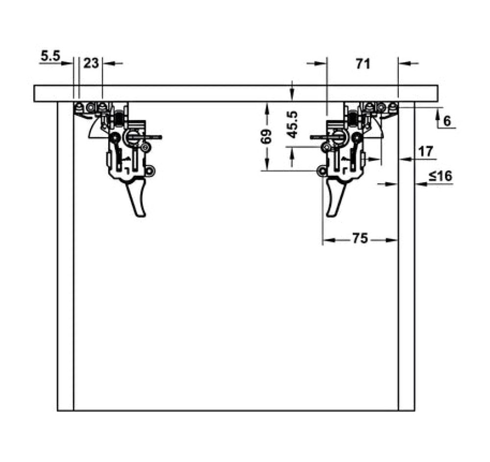
Dễ dàng tháo lắp thông qua bas ray trượt
Trọn bộ gồm: 1 cặp ray trượt và 1 cặp bas
Đóng gói: 1 bộ

Sản phẩm cùng loại
Zalo