Bản lề Hafele Metalla SM 95° cho cửa gỗ dày - Lắp trùm nửa 308.03.004

Bản lề Hafele Metalla SM 95° cho cửa gỗ dày - Lắp trùm nửa 308.03.004

  • Mô tả chi tiết

TÍNH NĂNG THÔNG SỐ KỸ THUẬT

Có cơ chế đóng giảm chấn
Khả năng chống ăn mòn hiệu quả được kiểm chứng qua thử nghiệm phun muối trung hòa trong 48 giờ theo tiêu chuẩn DIN ISO 9227
Phù hợp với ván và khung cửa dày
Chất liệu: Tay và chén bản lề bằng thép
Bề mặt hoàn thiện: Mạ nickel
Màu hoàn thiện: Đen; Màu sáng
Lắp chén bản lề: Lắp đặt bằng vít
Lắp đặt: Lắp vào cửa và tủ với bằng cơ cấu nhấn SM
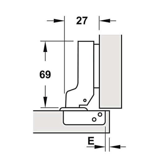
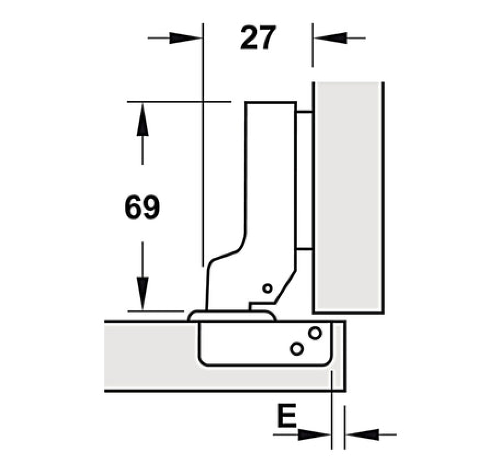
Hệ chén bản lề: 52/7.5 mm
Đường kính chén: 40 mm
Chiều sâu khoan chén: 13.5 mm
Chiều dày cửa phù hợp: 18 - 32 mm
Có lò xo đóng tự động
Điều chỉnh: Điều chỉnh mặt bên ±2 mm, điều chỉnh chiều cao +2 mm (qua đế bản lề), điều chỉnh chiều sâu ±2 mm
Đóng gói: 1 cái
Sản phẩm cùng loại
Zalo